Home / Electronic Queuing System / e_queue_schematic
pcbway

e_queue_schematic

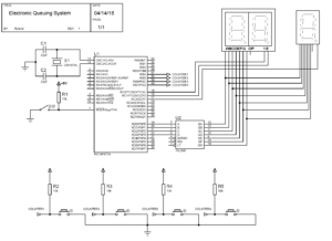
Electronic Queuing System schematic diagram

Check Also

Motherboards and Board Parts: Complete Guide to Components, Functions, and Repairs

Updated: February 3, 2026The motherboard is the central backbone of every computer system. Whether it …

Leave a Reply

Your email address will not be published. Required fields are marked *