pcbway

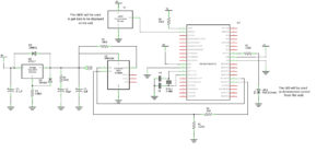
ESP8266-PIC-schematic

Check Also

Flexible PCB Assembly

Flexible PCB Assembly and Soldering

Updated: March 31, 2026In today’s fast-evolving electronics landscape, PCB assembly has transcended traditional rigid boards …

Leave a Reply

Your email address will not be published. Required fields are marked *